| オーディオ機器接続の注意(DC漏れ) |
1.絶対にDC入力(コンデンサーを介せず)に接続しない。(除く、殆どの真空管使用機器)
|
A.アンプのRCA入力端子等に「DC入力=Direct Cnnectio」がある場合、安易に機器を接続しないでください。
|
![]() |
B.DC電圧が出ているか、調べる簡易的方法
|
| C.さらに詳しい説明 T、発生要因 @ メインAMPの高音質追求・設計の為「DC入力端子、切り替えSWがある高級機」 A 接続機器の最終出力段にDC−AMPを使用している機種のバランス崩れてDC電圧が 漏れている場合が多いい。 現在の高級プリAMPは殆どこの可能性あり、 CD・DVD・MD・チューナ等の一般機器も全て同じです U、発生症状 DC電圧が、メインAMPに入力されると常時負荷を与えるので、AMPが「過剰な働き」をさせられ、 故障の原因になります。 @ 他の機器を接続したときより、AMPが熱くなる。 A 音がなくか、歪んでいる(SPネットワークが有る場合は軽微な場合あり) B 電源を切る時、スピーカから「ブチ」と音が出る。 C 電源を入れ切れする時(正確にはプロテクトが解除する時)、SPからのガリ音、コーンが前後 どちらかに、大きく動く=但しSPネットワークが有る場合は動きが軽微な場合あり D 下記は、この現象で、焼ききれたリレ−、SPネットワークが有ったのでSPは無事。 詳細はこちら参照 |
![]() |
| V 点検方法 @ プリAMPの入力を片側1個はずし、電源を切る時の音を、比較する。 A プリAMPからのRCA入力ケーブルのR・Lの片方のみを、「抜差し」して、 ガリ音の発生をチェックする。この音が大きいとDC漏れあり。 [注意] 必ず片方は接続された状態を維持し、RL両方を点検する。 メインVRは小さい状態から行う事。 B 本来はテスターで調べる事が望ましい。 普通のメインAMPは、1〜0.1V位でフルパワーなので、少なくとも 0.0*V位までの状態で使用したい。 |
| W 説明図 |
| @ 真空管式メインAMPの構成、真空管は殆ど全て、コンデンサーが使用されているので、 この危険はプリ・メインとも無し |
![]() |
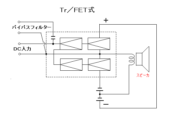
| A TR(トランジスター)/FET(電界トランジスター)使用のAMP |
![]() |
| B プリアンプの構成 現在の高級AMPも含め、殆どは「下記のコンデンサー」 が有りません |
![]() |
| C DC入力使用時の プリAMP・メインAMP接続図 |
![]() |
| D DC漏れプリAMP出力波形 前提:0.1V入力で50W出力 0.2V入力で100W出力 入力(音楽)ソースが無い時でも、AMPは50Wの仕事をしている |
![]() |
| E 入力がなくてもスピーカには、直流出力50Wが出ている。 SPネットワークを使用している場合、この直流はインダクターが殆ど消費する、 ウーハーSPに少し消費される=言い換えると非常に解り難い。 但し、並列インダクターが無い場合ウーハーSPが全て消費する。 |
![]() |
| X CD・DVD・MD・チューナ等の一般機器は大丈夫か チューナ・CD・DVD・MD・テープレコーダ、等のRCA出力からDC電圧が漏れている機種があります |
![]() |
| Y、その他、活用時の注意等 @ プリAMPのREC端子を利用時の注意。 プリAMPの一部機能を活用する為に、REC端子に接続する例があるが、 DC電圧が漏れている機種があるので注意。 |
![]() |
| A 「VRのガリの発生原因」と、「SW切り替え時のガリ音」の原因 下図の様に充電電流が流れ「スイッチのガリで無く、この電流によるガリの場合があります。 |
![]() |
| B 接続するプリAMPが込み入っているので、メインAMPの入力に、DCカットの為、 取り付けたコンデンサー 詳細はこちら参照 |
![]() |
| CメインAMPの入力に、DCカットの為、取り付けたコンデンサー |
| 2.フォノ(PHONO)入力には、ショートプラグを付けて置きましょう。 |
|
![]() |
|
![]() |
| 21. ショートピンの例. 古RCA端子を流用 |
![]() |
| 22. ショートピンの例2.古RCA端子を流用、RL付いているので紛失防止になる。但し機種・場所により使用不可。 |
![]() |
| 23.ショートピンの例3. 古いRCAケーブル流用、半田不要。線は短い方が良い |
![]() |
| 3.大型AMPは放熱に注意しましょう |
|
| 4.メインアンプのDC漏れの影響 |
| フルレンジ構成以外のスピーカーでは、ウーハーだけが影響を受けます。 ツイーター・スコーカーはコンデンサーが直列に挿入されるので、影響されません。 スピーカーは8Ωとする。 無音時のSP接続端子の電圧を測定する。
実際は、オーデイオルームは静かなので、SP接続ケーブルを付けたり/外したりすると、10mVでもかなりのガリ音になります。 マルチアンプ方式で、ウーハー以外を直接駆動する場合は、スピーカーの許容入力が低いので、注意が必要です。 この場合アンプとスピーカーにコンデンサーを挿入すると、安全です。 使用するコンデンサーはフイルムコンデンサーを使用し、「0.1μ+0.5μ+1μ+5μ+10μ」と並列に接続して作ります。 スピーカーに並列に8〜16Ωの抵抗を入れると、立ち上がり/下がり特性が改善されます。 |
| |
| ここに掲載された写真は、肖像権・版権・著作権等は、放棄しておりません。 写真・記事を無断で商用利用・転載等することを、禁じます。 Copyright(C) 2025 Amp Repair Studio All right reserved. |